

一、產品特點
1、主動送線電機全部采用高精度編碼器的直流伺服電機,比采用步進電機作為送線機構的伺服張力器有以下幾個優點:
A、噪音低;跟隨精度高張力穩定性良好、加速快,從0到最高速度可在0.5S內完成;
B、高速下扭矩大,從而張力范圍大,選型簡單;
2、張力穩定,加速減速過程張力變化小,跟隨性能好。
3、張力調節采用電控驅動,只需按動按鈕即可調節張力增大或減少。
本設備具有兩段張力功能,通過接入氣源實現兩段張力控制。
注:這個張力器是2段張力的,不接氣張力指示刻度盤0-5范圍工作,接上氣可以0-10范圍內工作。假如通過換彈簧 0-5可以滿足客戶的使用范圍,那么不一定要接氣用。
二、規格參數表
1、產品型號性能參數表
|
產品 型號 |
最高線速 |
張力 范圍 |
參考線徑范圍 |
張力桿 |
|
ST800 |
18m/s |
3-800g |
0.02-0.4mm |
TR-25#-140 TR-25#-200 TR-26#-120 TR-26#-150 |
2、張力桿--彈簧選用對應張力值(g)范圍
三、產品圖解

四、使用步驟說明
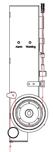
1、安裝:將該產品的安裝孔安裝在Φ16的柱子上,并鎖緊五星手輪;將張力桿按照張力竿轉接軸上箭頭方向插入與軸齊平,轉動張力桿使得拉簧掛鉤處于合適的位置,鎖緊螺絲(詳見圖四所示)。
2、電源插座(Power input)接通DC36~48V電源(詳見圖五),紅色線為電源正極,黑色線電源負極。
3、通過進氣口(lnlet)接通氣源,氣源氣壓不得超出0.6mpa(接入氣管規格:Φ4mm)。在旋轉張力調節旋鈕之前,務必關閉氣源,讓氣缸處于復位狀態。
4、掛線:關閉本設備的電源開關(Power switch),按照圖五所示順序掛線,同時調節羊毛氈的松緊度至線在送線輪上不打滑為合適。建議工作時線與張力桿成90度夾角。
5、打開電源開關(Power switch):按下按鈕1為開(紅燈亮),按按鈕0為關。
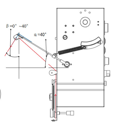
6、張力大小調節(Tension adjustment)(如圖一所示):
關閉氣源,旋轉張力調節旋鈕,對應的刻度值越大張力越大,反之 則小;得到相應張力值后,可以參考張力指示刻度標牌上的刻度值。
7、指示燈:本產品設有2個指示燈:
斷線狀態:紅燈亮
待機狀態:綠燈亮
工作狀態:綠燈閃
五、注意事項:
1、ST800系列單臺額定電流為2.7A,最大4A;須選用穩壓電源DC36~48V
請用戶正確使用電源及總電纜,注意用電安全。
2、使用ST800產品時,調節張力前務必先關閉氣源,再旋轉張力調節旋鈕;正常工作時,不允許調節張力。
3、初始掛線時或者發生意外斷線重新掛線時,請先關閉電源開關,然后再掛線;如在掛線誤操作引起主送線輪纏繞了多圈漆包線時,先關閉該臺張力器的電源開關再進行清理被纏繞的線。
4、每次掛線時檢查羊毛氈的松緊度并調節羊毛氈的松緊度至線在送線輪上不打滑為合適至線在送線輪上不打滑為合適。
5、報警、故障信號輸出說明:斷線或者報警狀態時,繼電器輸出斷開;正常狀態時,繼電器輸出導通。
6、走線方法以及出線角度的相關對應安裝位置請參照下圖四。
7、本產品為電氣產品,請注意防水防潮。
六、張力桿安裝及掛線示意圖

